FTT-517 军用温度传感器变送器


特 点
概 述
FTT-517 军用温度传感器变送器,采用高可靠性设计,可以精确测量-50℃~+600℃范围内的液体、气体介质以及固体表面的温度。
热电阻分类、测量范围及基本误差:
类 别 型 号 分度号 测量范围 0℃时电阻值R0 允许偏差值△℃
铂电阻 FTT Pt100、Pt1000 -50~+600℃ A级100±0.06Ω A级±(0.15+0.002|t|)
B级100±0.12Ω B级±(0.30+0.005|t|)
最小置入深度:热电阻的最小置入深度≥20mm(特殊要求可协商)
常温绝缘电阻:Pt电阻绝缘电阻值≥250MΩ/ 500VDC
典型电流:1mA(http://www.fx-sensor.com 010-51295202)
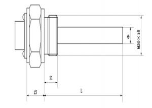
外形结构
FTT-517 军用温度传感器变送器根据用户的要求量身定做,下面的结构图是其中一款。

FTT-517 军用温度传感器变送器


特 点
概 述
FTT-517 军用温度传感器变送器,采用高可靠性设计,可以精确测量-50℃~+600℃范围内的液体、气体介质以及固体表面的温度。
热电阻分类、测量范围及基本误差:
类 别 型 号 分度号 测量范围 0℃时电阻值R0 允许偏差值△℃
铂电阻 FTT Pt100、Pt1000 -50~+600℃ A级100±0.06Ω A级±(0.15+0.002|t|)
B级100±0.12Ω B级±(0.30+0.005|t|)
最小置入深度:热电阻的最小置入深度≥20mm(特殊要求可协商)
常温绝缘电阻:Pt电阻绝缘电阻值≥250MΩ/ 500VDC
典型电流:1mA(http://www.fx-sensor.com 010-51295202)
外形结构
FTT-517 军用温度传感器变送器根据用户的要求量身定做,下面的结构图是其中一款。
FTT-517 军用温度传感器变送器


特 点
概 述
FTT-517 军用温度传感器变送器,采用高可靠性设计,可以精确测量-50℃~+600℃范围内的液体、气体介质以及固体表面的温度。
热电阻分类、测量范围及基本误差:
类 别 型 号 分度号 测量范围 0℃时电阻值R0 允许偏差值△℃
铂电阻 FTT Pt100、Pt1000 -50~+600℃ A级100±0.06Ω A级±(0.15+0.002|t|)
B级100±0.12Ω B级±(0.30+0.005|t|)
最小置入深度:热电阻的最小置入深度≥20mm(特殊要求可协商)
常温绝缘电阻:Pt电阻绝缘电阻值≥250MΩ/ 500VDC
典型电流:1mA(http://www.fx-sensor.com 010-51295202)
外形结构
FTT-517 军用温度传感器变送器根据用户的要求量身定做,下面的结构图是其中一款。
FTT-517 军用温度传感器变送器


特 点
概 述
FTT-517 军用温度传感器变送器,采用高可靠性设计,可以精确测量-50℃~+600℃范围内的液体、气体介质以及固体表面的温度。
热电阻分类、测量范围及基本误差:
类 别 型 号 分度号 测量范围 0℃时电阻值R0 允许偏差值△℃
铂电阻 FTT Pt100、Pt1000 -50~+600℃ A级100±0.06Ω A级±(0.15+0.002|t|)
B级100±0.12Ω B级±(0.30+0.005|t|)
最小置入深度:热电阻的最小置入深度≥20mm(特殊要求可协商)
常温绝缘电阻:Pt电阻绝缘电阻值≥250MΩ/ 500VDC
典型电流:1mA(http://www.fx-sensor.com 010-51295202)
外形结构
FTT-517 军用温度传感器变送器根据用户的要求量身定做,下面的结构图是其中一款。

京公网安备 11011402011664号 京ICP备09029331号-22 QQ:987268138 E-mail:wjxyxy@126.com