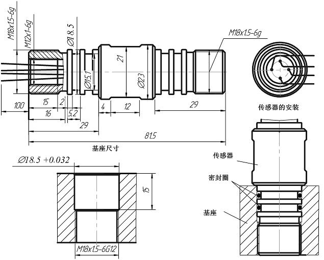
FPL-210 型油田井下钛硅-蓝宝石压力传感器
|
||||||||||||||||||||||||||||||||||||||||||||||||||||||||||||||||||||||||
FPL-210 型油田井下钛硅-蓝宝石压力传感器
|
||||||||||||||||||||||||||||||||||||||||||||||||||||||||||||||||||||||||
FPL-210 型油田井下钛硅-蓝宝石压力传感器
|
||||||||||||||||||||||||||||||||||||||||||||||||||||||||||||||||||||||||
FPL-210 型油田井下钛硅-蓝宝石压力传感器
|
||||||||||||||||||||||||||||||||||||||||||||||||||||||||||||||||||||||||
FPL-210 型油田井下钛硅-蓝宝石压力传感器
|
||||||||||||||||||||||||||||||||||||||||||||||||||||||||||||||||||||||||

京公网安备 11011402011664号 京ICP备09029331号-22 QQ:987268138 E-mail:wjxyxy@126.com