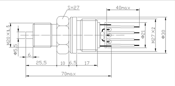
FPL-103 型钛硅-蓝宝石压力传感器OEM件
|
|
|
|
蓝宝石由单晶绝缘体元素组成,不会发生滞后、疲劳和蠕变现象;蓝宝石有着非常好的弹性和绝缘特性(1000℃以内),对温度变化不敏感,即使在高温条件下,也有着很好的工作特性;蓝宝石的抗辐射特性 强;另外,硅-蓝宝石半导体敏感元件,无p-n漂移,因此,可应用于各种复杂环境场合。 传感器由双膜片构成:钛合金感压膜片和钛合金测量膜片。蓝宝石上异质外延硅应变敏感电路膜片,被熔焊在钛合金测量膜片上。被测压力传送到测量膜片上。在压力的作用下,钛合金测量膜片产生微应形变,该形变使电桥输出会发生变化,变化的幅值与被测压力成正比。电桥电路将电桥的失衡信号,转换为电压信号输出。 |
|
|
|
||||||||||||||||||||||||||||||||||||||||||||||||||||
|
◆压力测量范围宽(4kPa~260MPa) ◆品种齐全(表压、绝压、负压) ◆抗辐射性极强 |
◆航空、航天领域 ◆潜油电泵配套设备 ◆工业现场过程压力控制 ◆各科研究所的实验设备 ◆供压力变送器组装选用 ◆高精度数字压力校仪 |
||||||||||||||||||||||||||||||||||||||||||||||||||||
|
|
|
||||||||||||||||||||||||||||||||||||||||||||||||||||
|
(http://www.fx-sensor.com 010-51295202)
|
|||||||||||||||||||||||||||||||||||||||||||||||||||||
|
|
|
||||||||||||||||||||||||||||||||||||||||||||||||||||
|
|
|||||||||||||||||||||||||||||||||||||||||||||||||||||
FPL-103 型钛硅-蓝宝石压力传感器OEM件
|
|
|
|
蓝宝石由单晶绝缘体元素组成,不会发生滞后、疲劳和蠕变现象;蓝宝石有着非常好的弹性和绝缘特性(1000℃以内),对温度变化不敏感,即使在高温条件下,也有着很好的工作特性;蓝宝石的抗辐射特性 强;另外,硅-蓝宝石半导体敏感元件,无p-n漂移,因此,可应用于各种复杂环境场合。 传感器由双膜片构成:钛合金感压膜片和钛合金测量膜片。蓝宝石上异质外延硅应变敏感电路膜片,被熔焊在钛合金测量膜片上。被测压力传送到测量膜片上。在压力的作用下,钛合金测量膜片产生微应形变,该形变使电桥输出会发生变化,变化的幅值与被测压力成正比。电桥电路将电桥的失衡信号,转换为电压信号输出。 |
|
|
|
||||||||||||||||||||||||||||||||||||||||||||||||||||
|
◆压力测量范围宽(4kPa~260MPa) ◆品种齐全(表压、绝压、负压) ◆抗辐射性极强 |
◆航空、航天领域 ◆潜油电泵配套设备 ◆工业现场过程压力控制 ◆各科研究所的实验设备 ◆供压力变送器组装选用 ◆高精度数字压力校仪 |
||||||||||||||||||||||||||||||||||||||||||||||||||||
|
|
|
||||||||||||||||||||||||||||||||||||||||||||||||||||
|
(http://www.fx-sensor.com 010-51295202)
|
|||||||||||||||||||||||||||||||||||||||||||||||||||||
|
|
|
||||||||||||||||||||||||||||||||||||||||||||||||||||
|
|
|||||||||||||||||||||||||||||||||||||||||||||||||||||
FPL-103 型钛硅-蓝宝石压力传感器OEM件
|
|
|
|
蓝宝石由单晶绝缘体元素组成,不会发生滞后、疲劳和蠕变现象;蓝宝石有着非常好的弹性和绝缘特性(1000℃以内),对温度变化不敏感,即使在高温条件下,也有着很好的工作特性;蓝宝石的抗辐射特性 强;另外,硅-蓝宝石半导体敏感元件,无p-n漂移,因此,可应用于各种复杂环境场合。 传感器由双膜片构成:钛合金感压膜片和钛合金测量膜片。蓝宝石上异质外延硅应变敏感电路膜片,被熔焊在钛合金测量膜片上。被测压力传送到测量膜片上。在压力的作用下,钛合金测量膜片产生微应形变,该形变使电桥输出会发生变化,变化的幅值与被测压力成正比。电桥电路将电桥的失衡信号,转换为电压信号输出。 |
|
|
|
||||||||||||||||||||||||||||||||||||||||||||||||||||
|
◆压力测量范围宽(4kPa~260MPa) ◆品种齐全(表压、绝压、负压) ◆抗辐射性极强 |
◆航空、航天领域 ◆潜油电泵配套设备 ◆工业现场过程压力控制 ◆各科研究所的实验设备 ◆供压力变送器组装选用 ◆高精度数字压力校仪 |
||||||||||||||||||||||||||||||||||||||||||||||||||||
|
|
|
||||||||||||||||||||||||||||||||||||||||||||||||||||
|
(http://www.fx-sensor.com 010-51295202)
|
|||||||||||||||||||||||||||||||||||||||||||||||||||||
|
|
|
||||||||||||||||||||||||||||||||||||||||||||||||||||
|
|
|||||||||||||||||||||||||||||||||||||||||||||||||||||
FPL-103 型钛硅-蓝宝石压力传感器OEM件
|
|
|
|
蓝宝石由单晶绝缘体元素组成,不会发生滞后、疲劳和蠕变现象;蓝宝石有着非常好的弹性和绝缘特性(1000℃以内),对温度变化不敏感,即使在高温条件下,也有着很好的工作特性;蓝宝石的抗辐射特性 强;另外,硅-蓝宝石半导体敏感元件,无p-n漂移,因此,可应用于各种复杂环境场合。 传感器由双膜片构成:钛合金感压膜片和钛合金测量膜片。蓝宝石上异质外延硅应变敏感电路膜片,被熔焊在钛合金测量膜片上。被测压力传送到测量膜片上。在压力的作用下,钛合金测量膜片产生微应形变,该形变使电桥输出会发生变化,变化的幅值与被测压力成正比。电桥电路将电桥的失衡信号,转换为电压信号输出。 |
|
|
|
||||||||||||||||||||||||||||||||||||||||||||||||||||
|
◆压力测量范围宽(4kPa~260MPa) ◆品种齐全(表压、绝压、负压) ◆抗辐射性极强 |
◆航空、航天领域 ◆潜油电泵配套设备 ◆工业现场过程压力控制 ◆各科研究所的实验设备 ◆供压力变送器组装选用 ◆高精度数字压力校仪 |
||||||||||||||||||||||||||||||||||||||||||||||||||||
|
|
|
||||||||||||||||||||||||||||||||||||||||||||||||||||
|
(http://www.fx-sensor.com 010-51295202)
|
|||||||||||||||||||||||||||||||||||||||||||||||||||||
|
|
|
||||||||||||||||||||||||||||||||||||||||||||||||||||
|
|
|||||||||||||||||||||||||||||||||||||||||||||||||||||
FPL-103 型钛硅-蓝宝石压力传感器OEM件
|
|
|
|
蓝宝石由单晶绝缘体元素组成,不会发生滞后、疲劳和蠕变现象;蓝宝石有着非常好的弹性和绝缘特性(1000℃以内),对温度变化不敏感,即使在高温条件下,也有着很好的工作特性;蓝宝石的抗辐射特性 强;另外,硅-蓝宝石半导体敏感元件,无p-n漂移,因此,可应用于各种复杂环境场合。 传感器由双膜片构成:钛合金感压膜片和钛合金测量膜片。蓝宝石上异质外延硅应变敏感电路膜片,被熔焊在钛合金测量膜片上。被测压力传送到测量膜片上。在压力的作用下,钛合金测量膜片产生微应形变,该形变使电桥输出会发生变化,变化的幅值与被测压力成正比。电桥电路将电桥的失衡信号,转换为电压信号输出。 |
|
|
|
||||||||||||||||||||||||||||||||||||||||||||||||||||
|
◆压力测量范围宽(4kPa~260MPa) ◆品种齐全(表压、绝压、负压) ◆抗辐射性极强 |
◆航空、航天领域 ◆潜油电泵配套设备 ◆工业现场过程压力控制 ◆各科研究所的实验设备 ◆供压力变送器组装选用 ◆高精度数字压力校仪 |
||||||||||||||||||||||||||||||||||||||||||||||||||||
|
|
|
||||||||||||||||||||||||||||||||||||||||||||||||||||
|
(http://www.fx-sensor.com 010-51295202)
|
|||||||||||||||||||||||||||||||||||||||||||||||||||||
|
|
|
||||||||||||||||||||||||||||||||||||||||||||||||||||
|
|
|||||||||||||||||||||||||||||||||||||||||||||||||||||

京公网安备 11011402011664号 京ICP备09029331号-22 QQ:987268138 E-mail:wjxyxy@126.com