FPC-401 型风差压变送器
概述
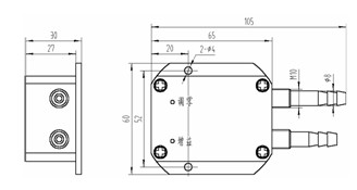
FPC-401 型风差压变送器采用硅压阻式差压芯体组装而成。外壳为铝合金结构。两个压力接口为M10螺纹和旋塞结构(用户可选择压力接口尺寸),可直接安装在测量管道上或通过引压管连接。FPC-401型有毫伏、标准电压、电流、频率信号输出等可供选择,安装使用方便,广泛应用于锅炉送风、井下通风等电力、煤炭行业压力过程控制领域。
√ 零点、灵敏度温度全范围补偿
√ 抗干扰强、优良的长期稳定性
√ 外形结构多样化
√ 安装简便 (http://www.fx-sensor.com 010-51295202)
√ 质保期:12个月
技术性能
供电电源:12VDC~36VDC(标准24VDC)
输出信号:4~20mA、1~5V、0~10mA、0~20mA、0~5V
量程范围:0~1kPa…600kPa
补偿温度:0~50℃
介质温度:-20~85℃
环境温度:-20~85℃
工作方式:差压 (http://www.fx-sensor.com 010-51295202)
综合精度:0.1、0.3、0.5级可选
零点温度漂移:±0.03FS/℃
灵敏度温度漂移:±0.03FS/℃
过载压力:300%FS
典型结构
订货信息
FPC-401 型风差压变送器
概述
FPC-401 型风差压变送器采用硅压阻式差压芯体组装而成。外壳为铝合金结构。两个压力接口为M10螺纹和旋塞结构(用户可选择压力接口尺寸),可直接安装在测量管道上或通过引压管连接。FPC-401型有毫伏、标准电压、电流、频率信号输出等可供选择,安装使用方便,广泛应用于锅炉送风、井下通风等电力、煤炭行业压力过程控制领域。
√ 零点、灵敏度温度全范围补偿
√ 抗干扰强、优良的长期稳定性
√ 外形结构多样化
√ 安装简便 (http://www.fx-sensor.com 010-51295202)
√ 质保期:12个月
技术性能
供电电源:12VDC~36VDC(标准24VDC)
输出信号:4~20mA、1~5V、0~10mA、0~20mA、0~5V
量程范围:0~1kPa…600kPa
补偿温度:0~50℃
介质温度:-20~85℃
环境温度:-20~85℃
工作方式:差压 (http://www.fx-sensor.com 010-51295202)
综合精度:0.1、0.3、0.5级可选
零点温度漂移:±0.03FS/℃
灵敏度温度漂移:±0.03FS/℃
过载压力:300%FS
典型结构
订货信息
FPC-401 型风差压变送器
概述
FPC-401 型风差压变送器采用硅压阻式差压芯体组装而成。外壳为铝合金结构。两个压力接口为M10螺纹和旋塞结构(用户可选择压力接口尺寸),可直接安装在测量管道上或通过引压管连接。FPC-401型有毫伏、标准电压、电流、频率信号输出等可供选择,安装使用方便,广泛应用于锅炉送风、井下通风等电力、煤炭行业压力过程控制领域。
√ 零点、灵敏度温度全范围补偿
√ 抗干扰强、优良的长期稳定性
√ 外形结构多样化
√ 安装简便 (http://www.fx-sensor.com 010-51295202)
√ 质保期:12个月
技术性能
供电电源:12VDC~36VDC(标准24VDC)
输出信号:4~20mA、1~5V、0~10mA、0~20mA、0~5V
量程范围:0~1kPa…600kPa
补偿温度:0~50℃
介质温度:-20~85℃
环境温度:-20~85℃
工作方式:差压 (http://www.fx-sensor.com 010-51295202)
综合精度:0.1、0.3、0.5级可选
零点温度漂移:±0.03FS/℃
灵敏度温度漂移:±0.03FS/℃
过载压力:300%FS
典型结构
订货信息
FPC-401 型风差压变送器
概述
FPC-401 型风差压变送器采用硅压阻式差压芯体组装而成。外壳为铝合金结构。两个压力接口为M10螺纹和旋塞结构(用户可选择压力接口尺寸),可直接安装在测量管道上或通过引压管连接。FPC-401型有毫伏、标准电压、电流、频率信号输出等可供选择,安装使用方便,广泛应用于锅炉送风、井下通风等电力、煤炭行业压力过程控制领域。
√ 零点、灵敏度温度全范围补偿
√ 抗干扰强、优良的长期稳定性
√ 外形结构多样化
√ 安装简便 (http://www.fx-sensor.com 010-51295202)
√ 质保期:12个月
技术性能
供电电源:12VDC~36VDC(标准24VDC)
输出信号:4~20mA、1~5V、0~10mA、0~20mA、0~5V
量程范围:0~1kPa…600kPa
补偿温度:0~50℃
介质温度:-20~85℃
环境温度:-20~85℃
工作方式:差压 (http://www.fx-sensor.com 010-51295202)
综合精度:0.1、0.3、0.5级可选
零点温度漂移:±0.03FS/℃
灵敏度温度漂移:±0.03FS/℃
过载压力:300%FS
典型结构
订货信息
FPC-401 型风差压变送器
概述
FPC-401 型风差压变送器采用硅压阻式差压芯体组装而成。外壳为铝合金结构。两个压力接口为M10螺纹和旋塞结构(用户可选择压力接口尺寸),可直接安装在测量管道上或通过引压管连接。FPC-401型有毫伏、标准电压、电流、频率信号输出等可供选择,安装使用方便,广泛应用于锅炉送风、井下通风等电力、煤炭行业压力过程控制领域。
√ 零点、灵敏度温度全范围补偿
√ 抗干扰强、优良的长期稳定性
√ 外形结构多样化
√ 安装简便 (http://www.fx-sensor.com 010-51295202)
√ 质保期:12个月
技术性能
供电电源:12VDC~36VDC(标准24VDC)
输出信号:4~20mA、1~5V、0~10mA、0~20mA、0~5V
量程范围:0~1kPa…600kPa
补偿温度:0~50℃
介质温度:-20~85℃
环境温度:-20~85℃
工作方式:差压 (http://www.fx-sensor.com 010-51295202)
综合精度:0.1、0.3、0.5级可选
零点温度漂移:±0.03FS/℃
灵敏度温度漂移:±0.03FS/℃
过载压力:300%FS
典型结构
订货信息

京公网安备 11011402011664号 京ICP备09029331号-22 QQ:987268138 E-mail:wjxyxy@126.com