FPC-201型小巧压力变送器
FPC-201型采用扩散硅压力芯体作为敏感元件,内置处理电路将传感器毫伏信号转换成标准电压﹑电流﹑频率信号输出,可直接与计算机、控制仪表﹑显示仪表等相连。可进行远距离信号传输。FPC-201型采用一体化全不锈钢结构,经过多次不锈钢焊接,实现了全固态设计,在恶劣环境中可以长期使用。产品安装方便,具有极高的抗振性和抗冲击性。广泛应用于工业自动化设备配套及石油、化工、冶金、电力等过程控制领域。
特点 (http://www.fx-sensor.com 010-51295202)
√ 316L不锈钢隔离膜片结构
√ 高精度、全不锈钢结构
√ 微型放大器,电压、电流、频率信号输出
√ 抗干扰强、长期稳定性好
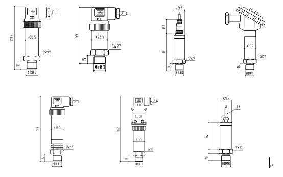
√ 外形结构多样化
√ 质保期: 12个月
技术性能
供电电源:12VDC~36VDC、典型24VDC
输出信号:4~20mA、1~5V、0~10mA、0~20mA、0~5V、1~10kHz
量程范围:-0.1…0~0.02…100Mpa
补偿温度:-10~70℃
介质温度:-40~125℃
环境温度:-40~85℃
外壳防护:IP65
压力类型:表压、绝压、密封压
精度:0.1、0.3、0.5级可选
长期稳定性:≤0.2%FS/年
零点温度漂移:±0.03%FS/℃
灵敏度温度漂移:±0.03%FS/℃
过载压力:200%FS
固有频率:5kHz~650kHz
典型结构 (http://www.fx-sensor.com 010-51295202)
订购信息
(http://www.fx-sensor.com 010-51295202)
FPC-201型小巧压力变送器
FPC-201型采用扩散硅压力芯体作为敏感元件,内置处理电路将传感器毫伏信号转换成标准电压﹑电流﹑频率信号输出,可直接与计算机、控制仪表﹑显示仪表等相连。可进行远距离信号传输。FPC-201型采用一体化全不锈钢结构,经过多次不锈钢焊接,实现了全固态设计,在恶劣环境中可以长期使用。产品安装方便,具有极高的抗振性和抗冲击性。广泛应用于工业自动化设备配套及石油、化工、冶金、电力等过程控制领域。
特点 (http://www.fx-sensor.com 010-51295202)
√ 316L不锈钢隔离膜片结构
√ 高精度、全不锈钢结构
√ 微型放大器,电压、电流、频率信号输出
√ 抗干扰强、长期稳定性好
√ 外形结构多样化
√ 质保期: 12个月
技术性能
供电电源:12VDC~36VDC、典型24VDC
输出信号:4~20mA、1~5V、0~10mA、0~20mA、0~5V、1~10kHz
量程范围:-0.1…0~0.02…100Mpa
补偿温度:-10~70℃
介质温度:-40~125℃
环境温度:-40~85℃
外壳防护:IP65
压力类型:表压、绝压、密封压
精度:0.1、0.3、0.5级可选
长期稳定性:≤0.2%FS/年
零点温度漂移:±0.03%FS/℃
灵敏度温度漂移:±0.03%FS/℃
过载压力:200%FS
固有频率:5kHz~650kHz
典型结构 (http://www.fx-sensor.com 010-51295202)
订购信息
(http://www.fx-sensor.com 010-51295202)
FPC-201型小巧压力变送器
FPC-201型采用扩散硅压力芯体作为敏感元件,内置处理电路将传感器毫伏信号转换成标准电压﹑电流﹑频率信号输出,可直接与计算机、控制仪表﹑显示仪表等相连。可进行远距离信号传输。FPC-201型采用一体化全不锈钢结构,经过多次不锈钢焊接,实现了全固态设计,在恶劣环境中可以长期使用。产品安装方便,具有极高的抗振性和抗冲击性。广泛应用于工业自动化设备配套及石油、化工、冶金、电力等过程控制领域。
特点 (http://www.fx-sensor.com 010-51295202)
√ 316L不锈钢隔离膜片结构
√ 高精度、全不锈钢结构
√ 微型放大器,电压、电流、频率信号输出
√ 抗干扰强、长期稳定性好
√ 外形结构多样化
√ 质保期: 12个月
技术性能
供电电源:12VDC~36VDC、典型24VDC
输出信号:4~20mA、1~5V、0~10mA、0~20mA、0~5V、1~10kHz
量程范围:-0.1…0~0.02…100Mpa
补偿温度:-10~70℃
介质温度:-40~125℃
环境温度:-40~85℃
外壳防护:IP65
压力类型:表压、绝压、密封压
精度:0.1、0.3、0.5级可选
长期稳定性:≤0.2%FS/年
零点温度漂移:±0.03%FS/℃
灵敏度温度漂移:±0.03%FS/℃
过载压力:200%FS
固有频率:5kHz~650kHz
典型结构 (http://www.fx-sensor.com 010-51295202)
订购信息
(http://www.fx-sensor.com 010-51295202)
FPC-201型小巧压力变送器
FPC-201型采用扩散硅压力芯体作为敏感元件,内置处理电路将传感器毫伏信号转换成标准电压﹑电流﹑频率信号输出,可直接与计算机、控制仪表﹑显示仪表等相连。可进行远距离信号传输。FPC-201型采用一体化全不锈钢结构,经过多次不锈钢焊接,实现了全固态设计,在恶劣环境中可以长期使用。产品安装方便,具有极高的抗振性和抗冲击性。广泛应用于工业自动化设备配套及石油、化工、冶金、电力等过程控制领域。
特点 (http://www.fx-sensor.com 010-51295202)
√ 316L不锈钢隔离膜片结构
√ 高精度、全不锈钢结构
√ 微型放大器,电压、电流、频率信号输出
√ 抗干扰强、长期稳定性好
√ 外形结构多样化
√ 质保期: 12个月
技术性能
供电电源:12VDC~36VDC、典型24VDC
输出信号:4~20mA、1~5V、0~10mA、0~20mA、0~5V、1~10kHz
量程范围:-0.1…0~0.02…100Mpa
补偿温度:-10~70℃
介质温度:-40~125℃
环境温度:-40~85℃
外壳防护:IP65
压力类型:表压、绝压、密封压
精度:0.1、0.3、0.5级可选
长期稳定性:≤0.2%FS/年
零点温度漂移:±0.03%FS/℃
灵敏度温度漂移:±0.03%FS/℃
过载压力:200%FS
固有频率:5kHz~650kHz
典型结构 (http://www.fx-sensor.com 010-51295202)
订购信息
(http://www.fx-sensor.com 010-51295202)
FPC-201型小巧压力变送器
FPC-201型采用扩散硅压力芯体作为敏感元件,内置处理电路将传感器毫伏信号转换成标准电压﹑电流﹑频率信号输出,可直接与计算机、控制仪表﹑显示仪表等相连。可进行远距离信号传输。FPC-201型采用一体化全不锈钢结构,经过多次不锈钢焊接,实现了全固态设计,在恶劣环境中可以长期使用。产品安装方便,具有极高的抗振性和抗冲击性。广泛应用于工业自动化设备配套及石油、化工、冶金、电力等过程控制领域。
特点 (http://www.fx-sensor.com 010-51295202)
√ 316L不锈钢隔离膜片结构
√ 高精度、全不锈钢结构
√ 微型放大器,电压、电流、频率信号输出
√ 抗干扰强、长期稳定性好
√ 外形结构多样化
√ 质保期: 12个月
技术性能
供电电源:12VDC~36VDC、典型24VDC
输出信号:4~20mA、1~5V、0~10mA、0~20mA、0~5V、1~10kHz
量程范围:-0.1…0~0.02…100Mpa
补偿温度:-10~70℃
介质温度:-40~125℃
环境温度:-40~85℃
外壳防护:IP65
压力类型:表压、绝压、密封压
精度:0.1、0.3、0.5级可选
长期稳定性:≤0.2%FS/年
零点温度漂移:±0.03%FS/℃
灵敏度温度漂移:±0.03%FS/℃
过载压力:200%FS
固有频率:5kHz~650kHz
典型结构 (http://www.fx-sensor.com 010-51295202)
订购信息
(http://www.fx-sensor.com 010-51295202)

京公网安备 11011402011664号 京ICP备09029331号-22 QQ:987268138 E-mail:wjxyxy@126.com