FPC-102型卫生型平膜压力传感器
概述
FPC-102型卫生型平膜压力传感器系列采用了一次硅油充灌技术,将芯体封装在带有标准接口螺纹的工件中,用户可以直接安装在2088等标准壳体上。
该产品广泛应用在食品、医药、卫生及酿酒工业等部门。公司可以为用户量身定做,承接特殊结构尺寸和温度要求的产品。
特点
√ 高性能、全固态、高可靠性、耐腐蚀
√ 不锈钢全焊接结构
√ 恒压源、恒流源供电可选择
√ 多种外形结构
√ 质保期: 1.5年
技术性能:
恒流供电:推荐1.5mA
恒压供电:推荐10VDC
测量范围:0~20kPa…6Mpa
补偿温度:-10~70℃
工作温度:-40~125℃
输入阻抗:3kΩ~6kΩ
介质兼容性:与316L不锈钢兼容的介质
充灌液:硅油 (http://www.fx-sensor.com 010-51295202)
零点输出:±2mV
满量程:≥100mV(典型)
零点温度漂移:±0.02%FS/℃
灵敏度温度漂移:±0.02%FS/℃
过载:200%FS
响应时间:≤50μm(上升到90%FS)
长期稳定性:≤0.2%FS/年
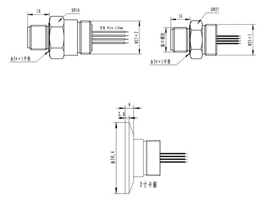
外形结构
订货信息:
FPC-102型卫生型平膜压力传感器
概述
FPC-102型卫生型平膜压力传感器系列采用了一次硅油充灌技术,将芯体封装在带有标准接口螺纹的工件中,用户可以直接安装在2088等标准壳体上。
该产品广泛应用在食品、医药、卫生及酿酒工业等部门。公司可以为用户量身定做,承接特殊结构尺寸和温度要求的产品。
特点
√ 高性能、全固态、高可靠性、耐腐蚀
√ 不锈钢全焊接结构
√ 恒压源、恒流源供电可选择
√ 多种外形结构
√ 质保期: 1.5年
技术性能:
恒流供电:推荐1.5mA
恒压供电:推荐10VDC
测量范围:0~20kPa…6Mpa
补偿温度:-10~70℃
工作温度:-40~125℃
输入阻抗:3kΩ~6kΩ
介质兼容性:与316L不锈钢兼容的介质
充灌液:硅油 (http://www.fx-sensor.com 010-51295202)
零点输出:±2mV
满量程:≥100mV(典型)
零点温度漂移:±0.02%FS/℃
灵敏度温度漂移:±0.02%FS/℃
过载:200%FS
响应时间:≤50μm(上升到90%FS)
长期稳定性:≤0.2%FS/年
外形结构
订货信息:
FPC-102型卫生型平膜压力传感器
概述
FPC-102型卫生型平膜压力传感器系列采用了一次硅油充灌技术,将芯体封装在带有标准接口螺纹的工件中,用户可以直接安装在2088等标准壳体上。
该产品广泛应用在食品、医药、卫生及酿酒工业等部门。公司可以为用户量身定做,承接特殊结构尺寸和温度要求的产品。
特点
√ 高性能、全固态、高可靠性、耐腐蚀
√ 不锈钢全焊接结构
√ 恒压源、恒流源供电可选择
√ 多种外形结构
√ 质保期: 1.5年
技术性能:
恒流供电:推荐1.5mA
恒压供电:推荐10VDC
测量范围:0~20kPa…6Mpa
补偿温度:-10~70℃
工作温度:-40~125℃
输入阻抗:3kΩ~6kΩ
介质兼容性:与316L不锈钢兼容的介质
充灌液:硅油 (http://www.fx-sensor.com 010-51295202)
零点输出:±2mV
满量程:≥100mV(典型)
零点温度漂移:±0.02%FS/℃
灵敏度温度漂移:±0.02%FS/℃
过载:200%FS
响应时间:≤50μm(上升到90%FS)
长期稳定性:≤0.2%FS/年
外形结构
订货信息:
FPC-102型卫生型平膜压力传感器
概述
FPC-102型卫生型平膜压力传感器系列采用了一次硅油充灌技术,将芯体封装在带有标准接口螺纹的工件中,用户可以直接安装在2088等标准壳体上。
该产品广泛应用在食品、医药、卫生及酿酒工业等部门。公司可以为用户量身定做,承接特殊结构尺寸和温度要求的产品。
特点
√ 高性能、全固态、高可靠性、耐腐蚀
√ 不锈钢全焊接结构
√ 恒压源、恒流源供电可选择
√ 多种外形结构
√ 质保期: 1.5年
技术性能:
恒流供电:推荐1.5mA
恒压供电:推荐10VDC
测量范围:0~20kPa…6Mpa
补偿温度:-10~70℃
工作温度:-40~125℃
输入阻抗:3kΩ~6kΩ
介质兼容性:与316L不锈钢兼容的介质
充灌液:硅油 (http://www.fx-sensor.com 010-51295202)
零点输出:±2mV
满量程:≥100mV(典型)
零点温度漂移:±0.02%FS/℃
灵敏度温度漂移:±0.02%FS/℃
过载:200%FS
响应时间:≤50μm(上升到90%FS)
长期稳定性:≤0.2%FS/年
外形结构
订货信息:
FPC-102型卫生型平膜压力传感器
概述
FPC-102型卫生型平膜压力传感器系列采用了一次硅油充灌技术,将芯体封装在带有标准接口螺纹的工件中,用户可以直接安装在2088等标准壳体上。
该产品广泛应用在食品、医药、卫生及酿酒工业等部门。公司可以为用户量身定做,承接特殊结构尺寸和温度要求的产品。
特点
√ 高性能、全固态、高可靠性、耐腐蚀
√ 不锈钢全焊接结构
√ 恒压源、恒流源供电可选择
√ 多种外形结构
√ 质保期: 1.5年
技术性能:
恒流供电:推荐1.5mA
恒压供电:推荐10VDC
测量范围:0~20kPa…6Mpa
补偿温度:-10~70℃
工作温度:-40~125℃
输入阻抗:3kΩ~6kΩ
介质兼容性:与316L不锈钢兼容的介质
充灌液:硅油 (http://www.fx-sensor.com 010-51295202)
零点输出:±2mV
满量程:≥100mV(典型)
零点温度漂移:±0.02%FS/℃
灵敏度温度漂移:±0.02%FS/℃
过载:200%FS
响应时间:≤50μm(上升到90%FS)
长期稳定性:≤0.2%FS/年
外形结构
订货信息:

京公网安备 11011402011664号 京ICP备09029331号-22 QQ:987268138 E-mail:wjxyxy@126.com